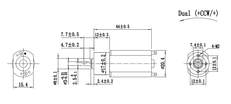
FT-17PGM180 planetary geared motors
About This Item

The 17mm planetary gear motor refers to the type of motor equipped with a compact planetary gear system with a diameter of 17mm. A planetary gear system consists of gears arranged in a specific configuration, with a central gear (sun gear) surrounded by smaller gears (planet gears) that revolve around it.
17mm planetary gear motors are widely used in various industries and applications due to their small size, high torque and precise motion control capabilities. It is commonly used in robotics, automation equipment, medical equipment, and many other applications that require efficient and reliable torque transmission.
Products Description
● The compact size of the 17mm planetary gear motor is ideal for applications where space is limited. Its planetary gear system provides high gear ratios in a small package, increasing torque output and improving efficiency. This makes it suitable for heavy-duty applications requiring precise control of speed and torque.
● Additionally, 17mm planetary gear motors typically feature low backlash, which means there is minimal play or movement between the gears, resulting in smooth, accurate movement. This property is highly valued in applications requiring precise positioning, such as CNC machine tools and robotic arms.
● The 17mm planetary gear motor is designed to operate in a wide voltage range, making it compatible with different power sources. It can be powered by direct current (DC) or alternating current (AC), depending on the specific application requirements. Overall, the 17mm planetary gear motor provides a compact yet powerful solution for a variety of industrial and commercial applications. Its combination of small size, high torque, precise motion control, and compatibility with different power sources make it a versatile choice for many engineering projects.
Why Choose Us
We are specialized in the production and sales of DC geared motors. The company's main products include more than 100 product series such as micro DC motors, micro gear motors, planetary gear motors, worm gear motors and spur gear motors . Whether in household appliances, smart home, automotive, medical equipment or industrial fields, our products can meet the requirements of different needs of customers. And passed CE, ROHS and ISO9001, ISO14001, ISO45001 and other certification systems, our geared motors are exported to Europe, America, Southeast Asia and other regions.
Company Profile
A gear motor is a mechanical device consisting of an electric motor and a gearbox, differing from a DC motor for lower RPM and higher torque.
Micro Motors specializes in the manufacture of miniature gear motors, both with brushes and without brushes, and stepper motors.
A gear motor is a mechanical device consisting of an electric motor and a gearbox, differing from a DC motor for lower RPM and higher torque.
Micro Motors specializes in the manufacture of miniature gear motors, both with brushes and without brushes, and stepper motors.
we are DC gear motor manufacturer , my factory mainly produce and supply Micro DC planetary gear motor, Worm gear motor, Spur gear motor, Brushed motor , Brushless BLDC motor and so on , We have a professional engineering design team that can design motor performance parameters according to your product requirements.
1.Q: Are you trading company or manufacturer?
A: We’re factory. We specialize in micro dc motor and dc gear motor for more than 20 years.
2.Q: What is the payment term for a new customer?
A: We can draw up an Ali Assurance Order Online for our new customer, which can pay online with Master Card, Visa, etc. Customer
also can pay with PayPal or TT etc.
3.Q: I can’t find a suitable motor on your website, can you customize the motor for me?
A: Yes, we can customize a suitable motor according to our customer’s requirements.
4.Q: Do you have certificates for the motors?
A: Yes, we have RoHS, CE, FCC, ISO, IATF16949 etc. If you have the other certificates requirement, we can apply it for you.
5.Q: How is your Quality Control?
A: We have professional checking staff on every production line process. After finishing the whole motor, we have the entire
quality machine to test the motor. Such as Hardness Tester, 2.5D Image Tester, Salt Spray Chamber, Life Tester, Temperature Test
Machine, and Noise tester etc.




